Nomograf, Cara
Cepat Hitung Debit, Untuk Insan PDAM
Oleh Gede H. Cahyana
Kehilangan energi atau tekanan (headloss) penting diketahui dalam aliran air, baik di dalam saluran
terbuka (selokan) maupun di dalam saluran tertutup atau bertekanan seperti
pipa. Hampir semua sifat aliran air di dalam pipa PDAM berupa saluran
bertekanan. Itu sebabnya, mengetahui tata-cara menghitung hilang-tekanan secara
praktis menjadi penting, selain secara teoteris, terutama insan PDAM, khususnya yang bertugas di bagian operasional pipa transmisi di lapangan.
Aliran air di dalam pipa bisa ditinjau secara ideal
dan secara nyata (fakta). Kondisi aliran faktual suatu fluida (zat alir) lebih
rumit daripada kondisi ideal yang diimbuhi oleh beberapa asumsi. Aliran air di dalam pipa PDAM, tidak hanya di sistem
transmisi dan distribusinya tetapi juga di unit operasi dan prosesnya.
Perbedaan panjang pipa antara pipa di IPAM dan di transmisi & distribusi
menimbulkan perbedaan asumsi dalam penghitungan headloss-nya.
Di IPAM, pipa-pipa biasanya pendek-pendek saja, tetapi
banyak ada belokan dan perubahan diameter. Peran minor losses menjadi besar dibandingkan dengan major losses-nya. Maka,
rumus yang banyak diterapkan adalah rumus atau formula Darcy-Weisbach dengan
formulasi hm = K(v2/2g). Ini untuk belokan, sambungan T, keran dll.
Formula ini dimodifikasi juga untuk aliran air dari bak ke bak yang lain,
pembesaran tiba-tiba, pengecilan dan sebagainya. Angka (harga, nilai) K ini pun
sudah diteliti dan diperoleh variasi yang cukup banyak, berdasarkan sudut
belokan.
Adapun pendekatan aliran air di dalam pipa panjang
seperti transmisi dan distribusi, boleh saja menggunakan formula teoretis Darcy
– Weisbach. Hanya saja, kesulitannya adalah dalam menentukan derajat ketelitian
faktor gesekan (f). Pada aliran laminer, nilai f dapat diperoleh secara
matematis tetapi tidak demikian untuk aliran turbulen. Nilai f untuk aliran
laminer adalah 64/Re. Pada aliran turbulen, ada beberapa formulasi tetapi tidak
disebutkan di sini. Kata kuncinya adalah kemampuan seseorang (operator) untuk
memperkirakan nilai f berdasarkan pengetahuan dan pengalamannya sebelum
rumus-rumus tersebut dapat digunakan. Oleh sebab itu, biasanya digunakan
formula Hazen – William yang empiris praktis.
Formula
Hazen-William
Seorang operator PDAM, sedapatnya harus hafal formula
ini. Q=0,2785.C.d2,63.S0,54. Ini adalah formulasi dalam
satuan MKS (meter, kilogram, sekon) atau metric
unit. Keterangan:
Q = Debit
air (m3/detik)
C = Koefisien
kekasaran pipa (gesekan)
d = Diameter
dalam pipa (m)
S = Slope
garis energi, hl/l
Perhitungan menggunakan kalkulator tentu bisa saja,
dan hasilnya pun lebih tepat. Tetapi untuk kepentingan praktis, penggunaan
karta nomograf lebih praktis dengan hasil yang mendekati kalkulasi matematis.
Kesalahan atau simpangan yang terjadi karena penglihatan mata dan
tajam-tumpulnya pensil yang digunakan.
Dalam formula di atas, kekasaran pipa, C bergantung
pada bahan pipa dan umur pipa. Umumnya nilai C seperti pada tabel terlampir.
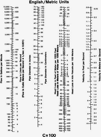
Adapun nomografnya, tersedia dalam satuan British
unit dan Metric units yang
divariasikan berdasarkan nilai C. Terlampir hanya diberikan nomograf untuk
C=100. Ada banyak nomograf dengan variasi C, mulai dari C=80, C=90, hingga
C=150. Pipa baru memiliki nilai C paling besar, misalnya 150 atau 160. Makin
tua umur pipa, nilai C pun menurun.
Contoh 1. Sebuah untaian pipa berdiameter 16 in. dengan nilai
C = 160. Berapakah debit air yang mengalir di dalam pipa tersebut jika headloss-nya adalah 1 ft per 1.000 ft.
Perkirakan juga kecepatan aliran airnya.
Jawab. Carilah di nomograf angka 16 pada mistar diameter,
yaitu mistar kedua dari kiri. Temukan juga titik 1 ft per 1.000 ft.
Hubungkanlah kedua titik tersebut dengan pensil dibantu mistar (penggaris).
Diperoleh titik 1.000 pada mistar debit dengan satuan gallon per menit (gpm).
Debit untuk C = 160 adalah 1.000 x (160/100)
= 1.600 gpm. Pada mistar kecepatan diperoleh titik 1,6 sehingga kecepatan
untuk C=160 adalah 1,6 x(160/100) = 2,6 fps.
Dengan menggunakan nomograf berbasis C=100, perkiraan
debit air di dalam pipa transmisi dari broncaptering
menuju bak pelepas tekanan (BPT) misalnya dapat diketahui. Dengan perkiraan
umur pipa dan bahan pipa, maka nilai C bisa diperkirakan, kemudian bisa
diperkirakan debit airnya. Begitu pula kecepatannya dapat diketahui. **
Contoh soal diambil dari Babbit, Doland, Cleasby, Water Supply Engineering, McGraw Hill
Book Co, 1967.





